Elektroplanung Lischak
Professionelle elektrotechnische Pläne für Ihr Zuhause
einfach - digital - zuverlässig
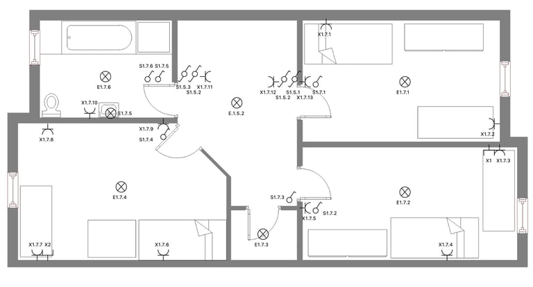
Elektroinstallationsplan
perfekte Übersicht
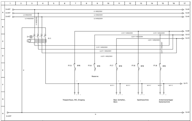
Stromlaufpläne zur schematischen Darstellung
Individuelle Planung
Beratung
Verteilerplan
Professionelle Planung
Sie möchten Ihre Elektroinstallation dokumentieren, modernisieren oder neu planen?
Wir unterstützen Sie mit präzisen, normgerechten Elektroinstallations- und Stromlaufplänen.
Ganz ohne teuren vor-Ort Termin!




Unsere Leistungen im Überblick


Stromlauf-/Verteilerplan
Schematische Darstellung aller elektrischen Verbindungen, Sicherungen und Stromkreise – klar, strukturiert und normgerecht.
→ Hilft bei Erweiterungen, Fehlersuche oder Dokumentation bestehender Anlagen.
Beratung & Planung
Individuelle Unterstützung bei Modernisierung, Umbau oder Erweiterung Ihrer Elektroanlage.
→ Wir helfen Ihnen, Ihre Ideen fachgerecht und effizient zu planen.
Elektroinstallationsplan
Ein detaillierter Grundriss mit allen wichtigen Elementen, wie Steckdosen, Schaltern, Lampen – nach DIN-Vorgaben und ideal für Bauherren, Eigentümer und Handwerksbetriebe.
→ Perfekt zur Übersicht und Planung Ihres Hauses.
unkomlizierte und kompetente Planung, gerne wieder!
Professionelle Planung und schnelle Umsetzung!
★★★★★
★★★★★
Kontakt
Wir freuen uns auf Ihre Anfrage.
Telefon
info@elektroplanung-lischak.de
+49 123 4567890
© 2025. All rights reserved.
